Products
-

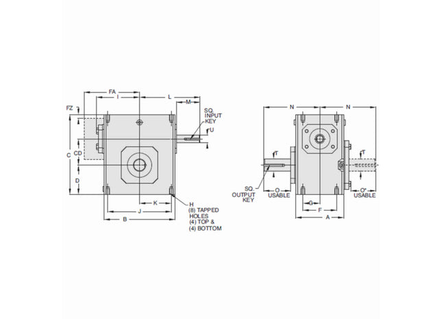
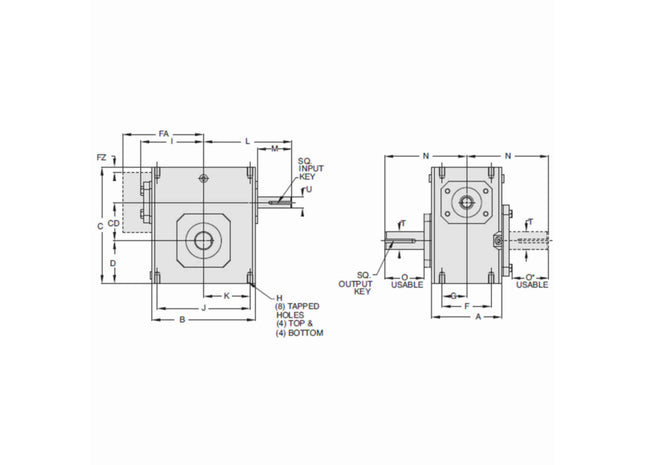
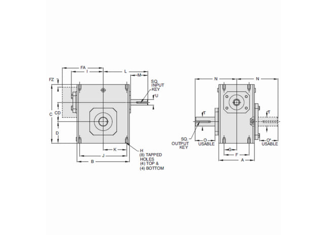
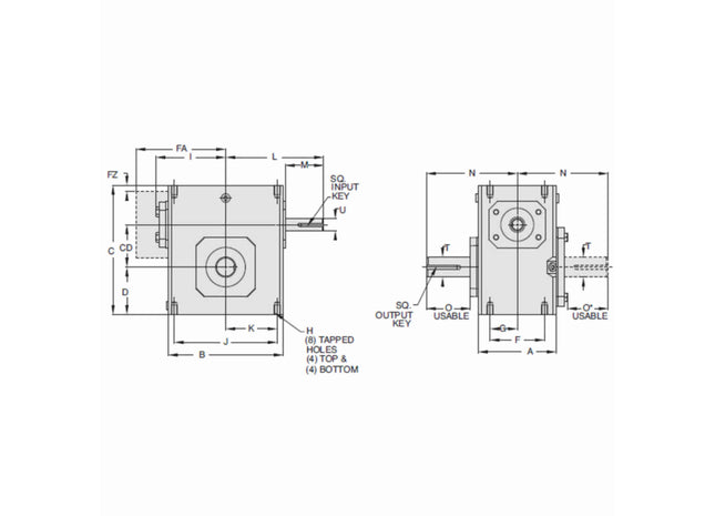
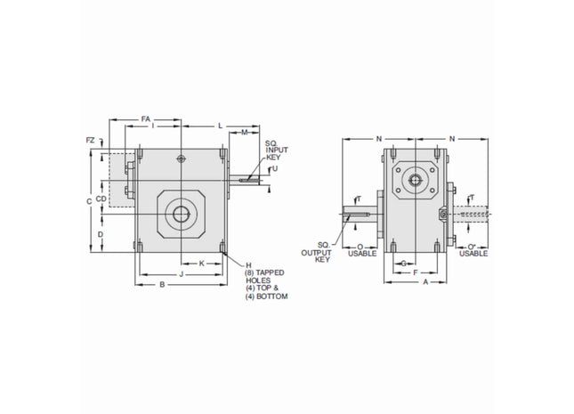
Regal Rexnord Grove Gear® Serie NH - Reductor de gusano de hierro de reducción simple y carcasa estrecha Ironman® NH8300021.00
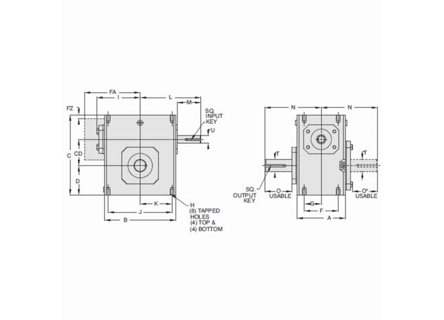
El Grove Gear® Serie NH - Reductor de gusano de hierro de reducción simple y carcasa estrecha Ironman® NH8300021.00 is a true workhorse that handles harsh environments, shock loading, persistent reversing and continuous duty cycles common in many industrial applications. Engineered to be the premium worm reducer in the industry, IRONMAN® reducers offer top quality features. Standard Features • Rugged cast iron housings, covers, and flanges provide superior strength and rigidity. • Factory-filled with premium Mobil Glygoyle 460 polyalkalene glycol lubricant. • Large oil capacity provides positive splash lubrication and superior cooling capability. • Viton® double lip seals provide extended life through increased resistance to high temperature, abrasion and chemicals. • O-rings on all bearing covers, eliminating gaskets, sealants and leaks. • Oversized high-speed bearings, positively retained for frequent reversing and start/stop cycles. Tapered roller bearings on output shaft for high overhung and thrust load capacities. • The unique quill seal guard protects the input seal from damage during motor installation. • Bronze worm gear chill cast from high quality bronze for maximum strength, lubricity and superior life. • All units are 100% run and leak tested at the factory to insure that you receive the highest quality product. • Ultimate application flexibility with all-angle mounting provisions, the widest selection of accessory bases and flanges and the largest selection of stock reducer styles. Contacta a uno de nuestros expertos para discutir como este producto puede beneficiarte.
$2,051.09$1,034.98
-

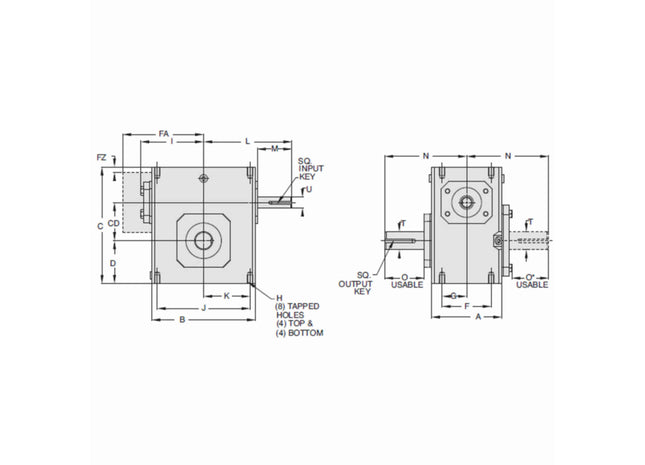
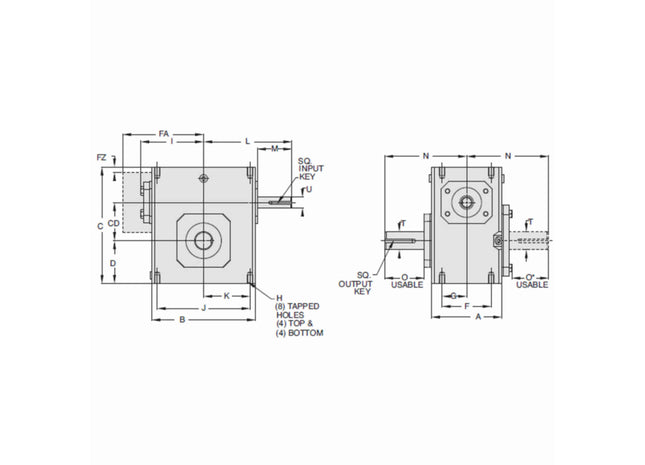
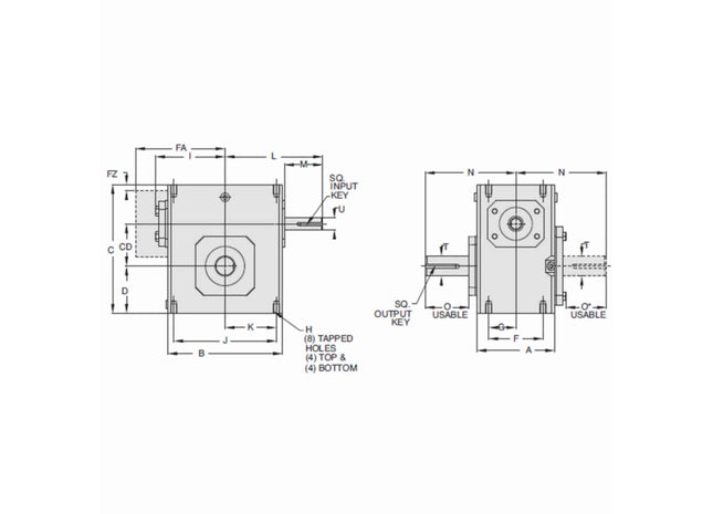
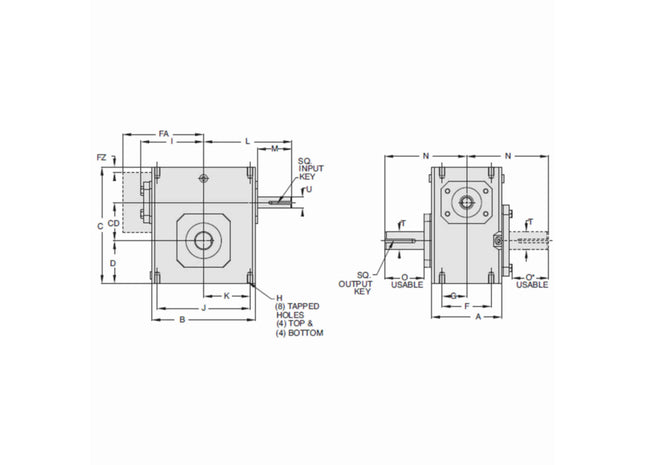
Regal Rexnord Grove Gear® Serie NH - Reductor de gusano de hierro de reducción simple y carcasa estrecha Ironman® NH8300023.00
El Grove Gear® Serie NH - Reductor de gusano de hierro de reducción simple y carcasa estrecha Ironman® NH8300023.00 is a true workhorse that handles harsh environments, shock loading, persistent reversing and continuous duty cycles common in many industrial applications. Engineered to be the premium worm reducer in the industry, IRONMAN® reducers offer top quality features. Standard Features • Rugged cast iron housings, covers, and flanges provide superior strength and rigidity. • Factory-filled with premium Mobil Glygoyle 460 polyalkalene glycol lubricant. • Large oil capacity provides positive splash lubrication and superior cooling capability. • Viton® double lip seals provide extended life through increased resistance to high temperature, abrasion and chemicals. • O-rings on all bearing covers, eliminating gaskets, sealants and leaks. • Oversized high-speed bearings, positively retained for frequent reversing and start/stop cycles. Tapered roller bearings on output shaft for high overhung and thrust load capacities. • The unique quill seal guard protects the input seal from damage during motor installation. • Bronze worm gear chill cast from high quality bronze for maximum strength, lubricity and superior life. • All units are 100% run and leak tested at the factory to insure that you receive the highest quality product. • Ultimate application flexibility with all-angle mounting provisions, the widest selection of accessory bases and flanges and the largest selection of stock reducer styles. Contacta a uno de nuestros expertos para discutir como este producto puede beneficiarte.
$2,051.09$1,034.98
-

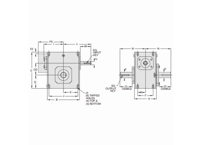
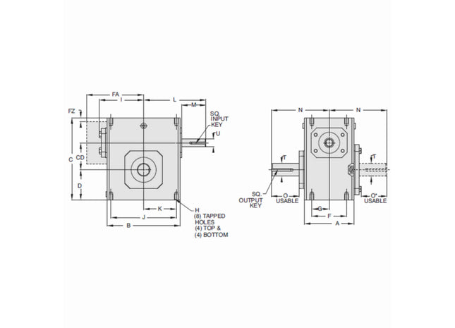
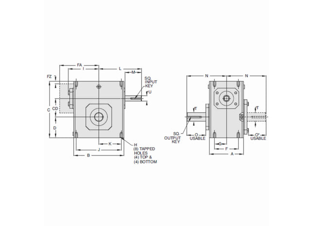
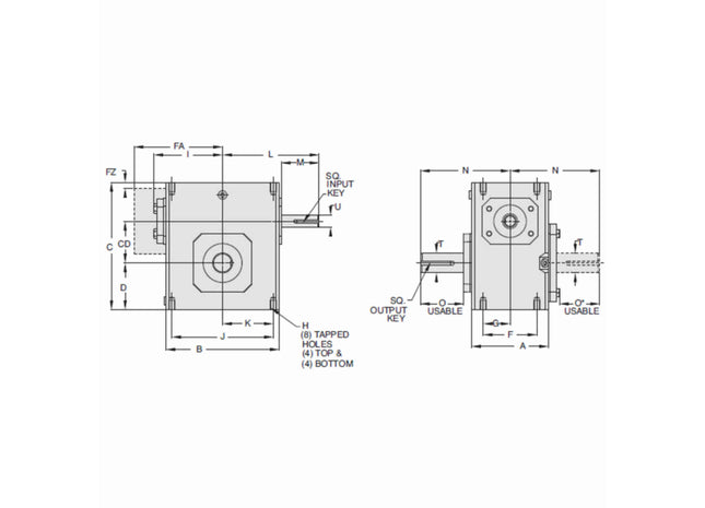
Regal Rexnord Grove Gear® Serie NH - Reductor de gusano de hierro de reducción simple y carcasa estrecha Ironman® NH8300024.00
El Grove Gear® Serie NH - Reductor de gusano de hierro de reducción simple y carcasa estrecha Ironman® NH8300024.00 is a true workhorse that handles harsh environments, shock loading, persistent reversing and continuous duty cycles common in many industrial applications. Engineered to be the premium worm reducer in the industry, IRONMAN® reducers offer top quality features. Standard Features • Rugged cast iron housings, covers, and flanges provide superior strength and rigidity. • Factory-filled with premium Mobil Glygoyle 460 polyalkalene glycol lubricant. • Large oil capacity provides positive splash lubrication and superior cooling capability. • Viton® double lip seals provide extended life through increased resistance to high temperature, abrasion and chemicals. • O-rings on all bearing covers, eliminating gaskets, sealants and leaks. • Oversized high-speed bearings, positively retained for frequent reversing and start/stop cycles. Tapered roller bearings on output shaft for high overhung and thrust load capacities. • The unique quill seal guard protects the input seal from damage during motor installation. • Bronze worm gear chill cast from high quality bronze for maximum strength, lubricity and superior life. • All units are 100% run and leak tested at the factory to insure that you receive the highest quality product. • Ultimate application flexibility with all-angle mounting provisions, the widest selection of accessory bases and flanges and the largest selection of stock reducer styles. Contacta a uno de nuestros expertos para discutir como este producto puede beneficiarte.
$2,051.09$1,034.98
-

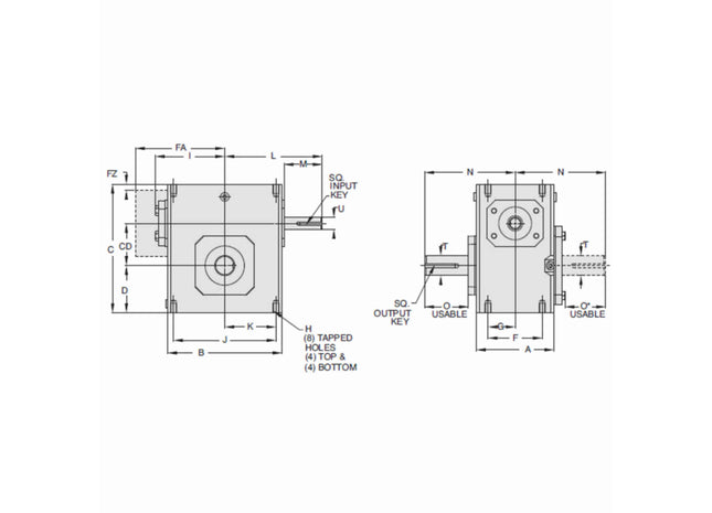
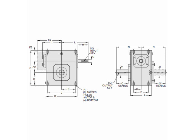
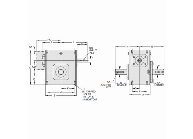
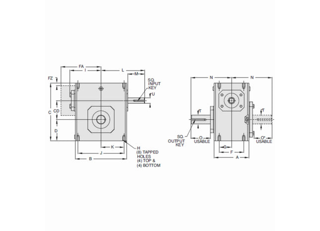
Regal Rexnord Grove Gear® Serie NH - Reductor de gusano de hierro de reducción simple y carcasa estrecha Ironman® NH8300026.00
El Grove Gear® Serie NH - Reductor de gusano de hierro de reducción simple y carcasa estrecha Ironman® NH8300026.00 is a true workhorse that handles harsh environments, shock loading, persistent reversing and continuous duty cycles common in many industrial applications. Engineered to be the premium worm reducer in the industry, IRONMAN® reducers offer top quality features. Standard Features • Rugged cast iron housings, covers, and flanges provide superior strength and rigidity. • Factory-filled with premium Mobil Glygoyle 460 polyalkalene glycol lubricant. • Large oil capacity provides positive splash lubrication and superior cooling capability. • Viton® double lip seals provide extended life through increased resistance to high temperature, abrasion and chemicals. • O-rings on all bearing covers, eliminating gaskets, sealants and leaks. • Oversized high-speed bearings, positively retained for frequent reversing and start/stop cycles. Tapered roller bearings on output shaft for high overhung and thrust load capacities. • The unique quill seal guard protects the input seal from damage during motor installation. • Bronze worm gear chill cast from high quality bronze for maximum strength, lubricity and superior life. • All units are 100% run and leak tested at the factory to insure that you receive the highest quality product. • Ultimate application flexibility with all-angle mounting provisions, the widest selection of accessory bases and flanges and the largest selection of stock reducer styles. Contacta a uno de nuestros expertos para discutir como este producto puede beneficiarte.
$2,162.01$1,090.95
-

Regal Rexnord Grove Gear® Serie NH - Reductor de gusano de hierro de reducción simple y carcasa estrecha Ironman® NH8300027.00
El Grove Gear® Serie NH - Reductor de gusano de hierro de reducción simple y carcasa estrecha Ironman® NH8300027.00 is a true workhorse that handles harsh environments, shock loading, persistent reversing and continuous duty cycles common in many industrial applications. Engineered to be the premium worm reducer in the industry, IRONMAN® reducers offer top quality features. Standard Features • Rugged cast iron housings, covers, and flanges provide superior strength and rigidity. • Factory-filled with premium Mobil Glygoyle 460 polyalkalene glycol lubricant. • Large oil capacity provides positive splash lubrication and superior cooling capability. • Viton® double lip seals provide extended life through increased resistance to high temperature, abrasion and chemicals. • O-rings on all bearing covers, eliminating gaskets, sealants and leaks. • Oversized high-speed bearings, positively retained for frequent reversing and start/stop cycles. Tapered roller bearings on output shaft for high overhung and thrust load capacities. • The unique quill seal guard protects the input seal from damage during motor installation. • Bronze worm gear chill cast from high quality bronze for maximum strength, lubricity and superior life. • All units are 100% run and leak tested at the factory to insure that you receive the highest quality product. • Ultimate application flexibility with all-angle mounting provisions, the widest selection of accessory bases and flanges and the largest selection of stock reducer styles. Contacta a uno de nuestros expertos para discutir como este producto puede beneficiarte.
$2,162.01$1,090.95
-

Regal Rexnord Grove Gear® Serie NH - Reductor de gusano de hierro de reducción simple y carcasa estrecha Ironman® NH8300028.00
El Grove Gear® Serie NH - Reductor de gusano de hierro de reducción simple y carcasa estrecha Ironman® NH8300028.00 is a true workhorse that handles harsh environments, shock loading, persistent reversing and continuous duty cycles common in many industrial applications. Engineered to be the premium worm reducer in the industry, IRONMAN® reducers offer top quality features. Standard Features • Rugged cast iron housings, covers, and flanges provide superior strength and rigidity. • Factory-filled with premium Mobil Glygoyle 460 polyalkalene glycol lubricant. • Large oil capacity provides positive splash lubrication and superior cooling capability. • Viton® double lip seals provide extended life through increased resistance to high temperature, abrasion and chemicals. • O-rings on all bearing covers, eliminating gaskets, sealants and leaks. • Oversized high-speed bearings, positively retained for frequent reversing and start/stop cycles. Tapered roller bearings on output shaft for high overhung and thrust load capacities. • The unique quill seal guard protects the input seal from damage during motor installation. • Bronze worm gear chill cast from high quality bronze for maximum strength, lubricity and superior life. • All units are 100% run and leak tested at the factory to insure that you receive the highest quality product. • Ultimate application flexibility with all-angle mounting provisions, the widest selection of accessory bases and flanges and the largest selection of stock reducer styles. Contacta a uno de nuestros expertos para discutir como este producto puede beneficiarte.
$2,162.01$1,090.95
-

Regal Rexnord Grove Gear® Serie NH - Reductor de gusano de hierro de reducción simple y carcasa estrecha Ironman® NH8300029.00
El Grove Gear® Serie NH - Reductor de gusano de hierro de reducción simple y carcasa estrecha Ironman® NH8300029.00 is a true workhorse that handles harsh environments, shock loading, persistent reversing and continuous duty cycles common in many industrial applications. Engineered to be the premium worm reducer in the industry, IRONMAN® reducers offer top quality features. Standard Features • Rugged cast iron housings, covers, and flanges provide superior strength and rigidity. • Factory-filled with premium Mobil Glygoyle 460 polyalkalene glycol lubricant. • Large oil capacity provides positive splash lubrication and superior cooling capability. • Viton® double lip seals provide extended life through increased resistance to high temperature, abrasion and chemicals. • O-rings on all bearing covers, eliminating gaskets, sealants and leaks. • Oversized high-speed bearings, positively retained for frequent reversing and start/stop cycles. Tapered roller bearings on output shaft for high overhung and thrust load capacities. • The unique quill seal guard protects the input seal from damage during motor installation. • Bronze worm gear chill cast from high quality bronze for maximum strength, lubricity and superior life. • All units are 100% run and leak tested at the factory to insure that you receive the highest quality product. • Ultimate application flexibility with all-angle mounting provisions, the widest selection of accessory bases and flanges and the largest selection of stock reducer styles. Contacta a uno de nuestros expertos para discutir como este producto puede beneficiarte.
$2,162.01$1,090.95
-

Regal Rexnord Grove Gear® Serie NH - Reductor de gusano de hierro de reducción simple y carcasa estrecha Ironman® NH8300030.00
El Grove Gear® Serie NH - Reductor de gusano de hierro de reducción simple y carcasa estrecha Ironman® NH8300030.00 is a true workhorse that handles harsh environments, shock loading, persistent reversing and continuous duty cycles common in many industrial applications. Engineered to be the premium worm reducer in the industry, IRONMAN® reducers offer top quality features. Standard Features • Rugged cast iron housings, covers, and flanges provide superior strength and rigidity. • Factory-filled with premium Mobil Glygoyle 460 polyalkalene glycol lubricant. • Large oil capacity provides positive splash lubrication and superior cooling capability. • Viton® double lip seals provide extended life through increased resistance to high temperature, abrasion and chemicals. • O-rings on all bearing covers, eliminating gaskets, sealants and leaks. • Oversized high-speed bearings, positively retained for frequent reversing and start/stop cycles. Tapered roller bearings on output shaft for high overhung and thrust load capacities. • The unique quill seal guard protects the input seal from damage during motor installation. • Bronze worm gear chill cast from high quality bronze for maximum strength, lubricity and superior life. • All units are 100% run and leak tested at the factory to insure that you receive the highest quality product. • Ultimate application flexibility with all-angle mounting provisions, the widest selection of accessory bases and flanges and the largest selection of stock reducer styles. Contacta a uno de nuestros expertos para discutir como este producto puede beneficiarte.
$2,162.01$1,090.95
-

Regal Rexnord Grove Gear® Serie NH - Reductor de gusano de hierro de reducción simple y carcasa estrecha Ironman® NH8300031.00
El Grove Gear® Serie NH - Reductor de gusano de hierro de reducción simple y carcasa estrecha Ironman® NH8300031.00 is a true workhorse that handles harsh environments, shock loading, persistent reversing and continuous duty cycles common in many industrial applications. Engineered to be the premium worm reducer in the industry, IRONMAN® reducers offer top quality features. Standard Features • Rugged cast iron housings, covers, and flanges provide superior strength and rigidity. • Factory-filled with premium Mobil Glygoyle 460 polyalkalene glycol lubricant. • Large oil capacity provides positive splash lubrication and superior cooling capability. • Viton® double lip seals provide extended life through increased resistance to high temperature, abrasion and chemicals. • O-rings on all bearing covers, eliminating gaskets, sealants and leaks. • Oversized high-speed bearings, positively retained for frequent reversing and start/stop cycles. Tapered roller bearings on output shaft for high overhung and thrust load capacities. • The unique quill seal guard protects the input seal from damage during motor installation. • Bronze worm gear chill cast from high quality bronze for maximum strength, lubricity and superior life. • All units are 100% run and leak tested at the factory to insure that you receive the highest quality product. • Ultimate application flexibility with all-angle mounting provisions, the widest selection of accessory bases and flanges and the largest selection of stock reducer styles. Contacta a uno de nuestros expertos para discutir como este producto puede beneficiarte.
$2,162.01$1,090.95
-

Regal Rexnord Grove Gear® Serie NH - Reductor de gusano de hierro de reducción simple y carcasa estrecha Ironman® NH8300032.00
El Grove Gear® Serie NH - Reductor de gusano de hierro de reducción simple y carcasa estrecha Ironman® NH8300032.00 is a true workhorse that handles harsh environments, shock loading, persistent reversing and continuous duty cycles common in many industrial applications. Engineered to be the premium worm reducer in the industry, IRONMAN® reducers offer top quality features. Standard Features • Rugged cast iron housings, covers, and flanges provide superior strength and rigidity. • Factory-filled with premium Mobil Glygoyle 460 polyalkalene glycol lubricant. • Large oil capacity provides positive splash lubrication and superior cooling capability. • Viton® double lip seals provide extended life through increased resistance to high temperature, abrasion and chemicals. • O-rings on all bearing covers, eliminating gaskets, sealants and leaks. • Oversized high-speed bearings, positively retained for frequent reversing and start/stop cycles. Tapered roller bearings on output shaft for high overhung and thrust load capacities. • The unique quill seal guard protects the input seal from damage during motor installation. • Bronze worm gear chill cast from high quality bronze for maximum strength, lubricity and superior life. • All units are 100% run and leak tested at the factory to insure that you receive the highest quality product. • Ultimate application flexibility with all-angle mounting provisions, the widest selection of accessory bases and flanges and the largest selection of stock reducer styles. Contacta a uno de nuestros expertos para discutir como este producto puede beneficiarte.
$2,162.01$1,090.95
-

Regal Rexnord Grove Gear® Serie NH - Reductor de gusano de hierro de reducción simple y carcasa estrecha Ironman® NH8300033.00
El Grove Gear® Serie NH - Reductor de gusano de hierro de reducción simple y carcasa estrecha Ironman® NH8300033.00 is a true workhorse that handles harsh environments, shock loading, persistent reversing and continuous duty cycles common in many industrial applications. Engineered to be the premium worm reducer in the industry, IRONMAN® reducers offer top quality features. Standard Features • Rugged cast iron housings, covers, and flanges provide superior strength and rigidity. • Factory-filled with premium Mobil Glygoyle 460 polyalkalene glycol lubricant. • Large oil capacity provides positive splash lubrication and superior cooling capability. • Viton® double lip seals provide extended life through increased resistance to high temperature, abrasion and chemicals. • O-rings on all bearing covers, eliminating gaskets, sealants and leaks. • Oversized high-speed bearings, positively retained for frequent reversing and start/stop cycles. Tapered roller bearings on output shaft for high overhung and thrust load capacities. • The unique quill seal guard protects the input seal from damage during motor installation. • Bronze worm gear chill cast from high quality bronze for maximum strength, lubricity and superior life. • All units are 100% run and leak tested at the factory to insure that you receive the highest quality product. • Ultimate application flexibility with all-angle mounting provisions, the widest selection of accessory bases and flanges and the largest selection of stock reducer styles. Contacta a uno de nuestros expertos para discutir como este producto puede beneficiarte.
$2,162.01$1,090.95
-

Regal Rexnord Grove Gear® Serie NH - Reductor de gusano de hierro de reducción simple y carcasa estrecha Ironman® NH8300034.00
El Grove Gear® Serie NH - Reductor de gusano de hierro de reducción simple y carcasa estrecha Ironman® NH8300034.00 is a true workhorse that handles harsh environments, shock loading, persistent reversing and continuous duty cycles common in many industrial applications. Engineered to be the premium worm reducer in the industry, IRONMAN® reducers offer top quality features. Standard Features • Rugged cast iron housings, covers, and flanges provide superior strength and rigidity. • Factory-filled with premium Mobil Glygoyle 460 polyalkalene glycol lubricant. • Large oil capacity provides positive splash lubrication and superior cooling capability. • Viton® double lip seals provide extended life through increased resistance to high temperature, abrasion and chemicals. • O-rings on all bearing covers, eliminating gaskets, sealants and leaks. • Oversized high-speed bearings, positively retained for frequent reversing and start/stop cycles. Tapered roller bearings on output shaft for high overhung and thrust load capacities. • The unique quill seal guard protects the input seal from damage during motor installation. • Bronze worm gear chill cast from high quality bronze for maximum strength, lubricity and superior life. • All units are 100% run and leak tested at the factory to insure that you receive the highest quality product. • Ultimate application flexibility with all-angle mounting provisions, the widest selection of accessory bases and flanges and the largest selection of stock reducer styles. Contacta a uno de nuestros expertos para discutir como este producto puede beneficiarte.
$2,162.01$1,090.95











