Products
-

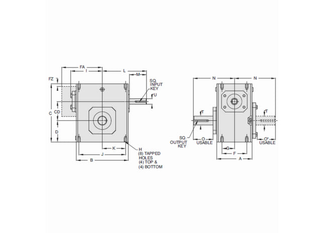
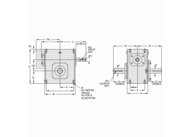
Regal Rexnord Grove Gear® Serie NH - Reductor de gusano de hierro de reducción simple y carcasa estrecha Ironman® NH8520091.00
El Grove Gear® Serie NH - Reductor de gusano de hierro de reducción simple y carcasa estrecha Ironman® NH8520091.00 is a true workhorse that handles harsh environments, shock loading, persistent reversing and continuous duty cycles common in many industrial applications. Engineered to be the premium worm reducer in the industry, IRONMAN® reducers offer top quality features. Standard Features • Rugged cast iron housings, covers, and flanges provide superior strength and rigidity. • Factory-filled with premium Mobil Glygoyle 460 polyalkalene glycol lubricant. • Large oil capacity provides positive splash lubrication and superior cooling capability. • Viton® double lip seals provide extended life through increased resistance to high temperature, abrasion and chemicals. • O-rings on all bearing covers, eliminating gaskets, sealants and leaks. • Oversized high-speed bearings, positively retained for frequent reversing and start/stop cycles. Tapered roller bearings on output shaft for high overhung and thrust load capacities. • The unique quill seal guard protects the input seal from damage during motor installation. • Bronze worm gear chill cast from high quality bronze for maximum strength, lubricity and superior life. • All units are 100% run and leak tested at the factory to insure that you receive the highest quality product. • Ultimate application flexibility with all-angle mounting provisions, the widest selection of accessory bases and flanges and the largest selection of stock reducer styles. Contacta a uno de nuestros expertos para discutir como este producto puede beneficiarte.
$5,860.26$2,957.09
-

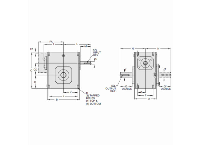
Regal Rexnord Grove Gear® Serie NH - Reductor de gusano de hierro de reducción simple y carcasa estrecha Ironman® NH8520092.00
El Grove Gear® Serie NH - Reductor de gusano de hierro de reducción simple y carcasa estrecha Ironman® NH8520092.00 is a true workhorse that handles harsh environments, shock loading, persistent reversing and continuous duty cycles common in many industrial applications. Engineered to be the premium worm reducer in the industry, IRONMAN® reducers offer top quality features. Standard Features • Rugged cast iron housings, covers, and flanges provide superior strength and rigidity. • Factory-filled with premium Mobil Glygoyle 460 polyalkalene glycol lubricant. • Large oil capacity provides positive splash lubrication and superior cooling capability. • Viton® double lip seals provide extended life through increased resistance to high temperature, abrasion and chemicals. • O-rings on all bearing covers, eliminating gaskets, sealants and leaks. • Oversized high-speed bearings, positively retained for frequent reversing and start/stop cycles. Tapered roller bearings on output shaft for high overhung and thrust load capacities. • The unique quill seal guard protects the input seal from damage during motor installation. • Bronze worm gear chill cast from high quality bronze for maximum strength, lubricity and superior life. • All units are 100% run and leak tested at the factory to insure that you receive the highest quality product. • Ultimate application flexibility with all-angle mounting provisions, the widest selection of accessory bases and flanges and the largest selection of stock reducer styles. Contacta a uno de nuestros expertos para discutir como este producto puede beneficiarte.
$5,860.26$2,957.09
-

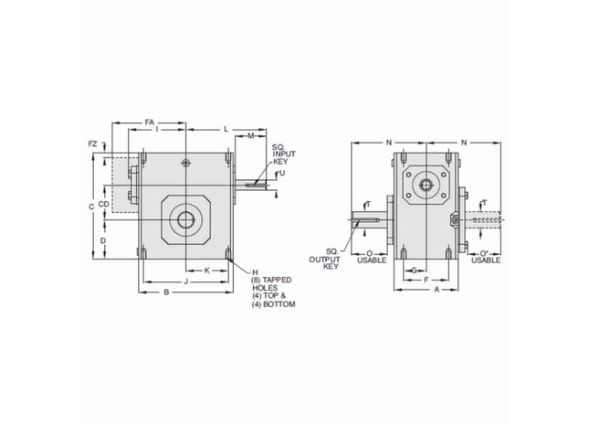
Regal Rexnord Grove Gear® Serie NH - Reductor de gusano de hierro de reducción simple y carcasa estrecha Ironman® NH8520093.00
El Grove Gear® Serie NH - Reductor de gusano de hierro de reducción simple y carcasa estrecha Ironman® NH8520093.00 is a true workhorse that handles harsh environments, shock loading, persistent reversing and continuous duty cycles common in many industrial applications. Engineered to be the premium worm reducer in the industry, IRONMAN® reducers offer top quality features. Standard Features • Rugged cast iron housings, covers, and flanges provide superior strength and rigidity. • Factory-filled with premium Mobil Glygoyle 460 polyalkalene glycol lubricant. • Large oil capacity provides positive splash lubrication and superior cooling capability. • Viton® double lip seals provide extended life through increased resistance to high temperature, abrasion and chemicals. • O-rings on all bearing covers, eliminating gaskets, sealants and leaks. • Oversized high-speed bearings, positively retained for frequent reversing and start/stop cycles. Tapered roller bearings on output shaft for high overhung and thrust load capacities. • The unique quill seal guard protects the input seal from damage during motor installation. • Bronze worm gear chill cast from high quality bronze for maximum strength, lubricity and superior life. • All units are 100% run and leak tested at the factory to insure that you receive the highest quality product. • Ultimate application flexibility with all-angle mounting provisions, the widest selection of accessory bases and flanges and the largest selection of stock reducer styles. Contacta a uno de nuestros expertos para discutir como este producto puede beneficiarte.
$5,860.26$2,957.09
-

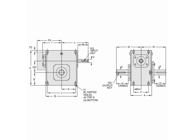
Regal Rexnord Grove Gear® Serie NH - Reductor de gusano de hierro de reducción simple y carcasa estrecha Ironman® NH8520094.00
El Grove Gear® Serie NH - Reductor de gusano de hierro de reducción simple y carcasa estrecha Ironman® NH8520094.00 is a true workhorse that handles harsh environments, shock loading, persistent reversing and continuous duty cycles common in many industrial applications. Engineered to be the premium worm reducer in the industry, IRONMAN® reducers offer top quality features. Standard Features • Rugged cast iron housings, covers, and flanges provide superior strength and rigidity. • Factory-filled with premium Mobil Glygoyle 460 polyalkalene glycol lubricant. • Large oil capacity provides positive splash lubrication and superior cooling capability. • Viton® double lip seals provide extended life through increased resistance to high temperature, abrasion and chemicals. • O-rings on all bearing covers, eliminating gaskets, sealants and leaks. • Oversized high-speed bearings, positively retained for frequent reversing and start/stop cycles. Tapered roller bearings on output shaft for high overhung and thrust load capacities. • The unique quill seal guard protects the input seal from damage during motor installation. • Bronze worm gear chill cast from high quality bronze for maximum strength, lubricity and superior life. • All units are 100% run and leak tested at the factory to insure that you receive the highest quality product. • Ultimate application flexibility with all-angle mounting provisions, the widest selection of accessory bases and flanges and the largest selection of stock reducer styles. Contacta a uno de nuestros expertos para discutir como este producto puede beneficiarte.
$5,860.26$2,957.09
-

Regal Rexnord Grove Gear® Serie NH - Reductor de gusano de hierro de reducción simple y carcasa estrecha Ironman® NH8520095.00
El Grove Gear® Serie NH - Reductor de gusano de hierro de reducción simple y carcasa estrecha Ironman® NH8520095.00 is a true workhorse that handles harsh environments, shock loading, persistent reversing and continuous duty cycles common in many industrial applications. Engineered to be the premium worm reducer in the industry, IRONMAN® reducers offer top quality features. Standard Features • Rugged cast iron housings, covers, and flanges provide superior strength and rigidity. • Factory-filled with premium Mobil Glygoyle 460 polyalkalene glycol lubricant. • Large oil capacity provides positive splash lubrication and superior cooling capability. • Viton® double lip seals provide extended life through increased resistance to high temperature, abrasion and chemicals. • O-rings on all bearing covers, eliminating gaskets, sealants and leaks. • Oversized high-speed bearings, positively retained for frequent reversing and start/stop cycles. Tapered roller bearings on output shaft for high overhung and thrust load capacities. • The unique quill seal guard protects the input seal from damage during motor installation. • Bronze worm gear chill cast from high quality bronze for maximum strength, lubricity and superior life. • All units are 100% run and leak tested at the factory to insure that you receive the highest quality product. • Ultimate application flexibility with all-angle mounting provisions, the widest selection of accessory bases and flanges and the largest selection of stock reducer styles. Contacta a uno de nuestros expertos para discutir como este producto puede beneficiarte.
$6,237.70$3,147.54
-

Regal Rexnord Grove Gear® Serie NH - Reductor de gusano de hierro de reducción simple y carcasa estrecha Ironman® NH8520097.00
El Grove Gear® Serie NH - Reductor de gusano de hierro de reducción simple y carcasa estrecha Ironman® NH8520097.00 is a true workhorse that handles harsh environments, shock loading, persistent reversing and continuous duty cycles common in many industrial applications. Engineered to be the premium worm reducer in the industry, IRONMAN® reducers offer top quality features. Standard Features • Rugged cast iron housings, covers, and flanges provide superior strength and rigidity. • Factory-filled with premium Mobil Glygoyle 460 polyalkalene glycol lubricant. • Large oil capacity provides positive splash lubrication and superior cooling capability. • Viton® double lip seals provide extended life through increased resistance to high temperature, abrasion and chemicals. • O-rings on all bearing covers, eliminating gaskets, sealants and leaks. • Oversized high-speed bearings, positively retained for frequent reversing and start/stop cycles. Tapered roller bearings on output shaft for high overhung and thrust load capacities. • The unique quill seal guard protects the input seal from damage during motor installation. • Bronze worm gear chill cast from high quality bronze for maximum strength, lubricity and superior life. • All units are 100% run and leak tested at the factory to insure that you receive the highest quality product. • Ultimate application flexibility with all-angle mounting provisions, the widest selection of accessory bases and flanges and the largest selection of stock reducer styles. Contacta a uno de nuestros expertos para discutir como este producto puede beneficiarte.
$6,237.70$3,147.54
-

Regal Rexnord Grove Gear® Serie NH - Reductor de gusano de hierro de reducción simple y carcasa estrecha Ironman® NH8520099.00
El Grove Gear® Serie NH - Reductor de gusano de hierro de reducción simple y carcasa estrecha Ironman® NH8520099.00 is a true workhorse that handles harsh environments, shock loading, persistent reversing and continuous duty cycles common in many industrial applications. Engineered to be the premium worm reducer in the industry, IRONMAN® reducers offer top quality features. Standard Features • Rugged cast iron housings, covers, and flanges provide superior strength and rigidity. • Factory-filled with premium Mobil Glygoyle 460 polyalkalene glycol lubricant. • Large oil capacity provides positive splash lubrication and superior cooling capability. • Viton® double lip seals provide extended life through increased resistance to high temperature, abrasion and chemicals. • O-rings on all bearing covers, eliminating gaskets, sealants and leaks. • Oversized high-speed bearings, positively retained for frequent reversing and start/stop cycles. Tapered roller bearings on output shaft for high overhung and thrust load capacities. • The unique quill seal guard protects the input seal from damage during motor installation. • Bronze worm gear chill cast from high quality bronze for maximum strength, lubricity and superior life. • All units are 100% run and leak tested at the factory to insure that you receive the highest quality product. • Ultimate application flexibility with all-angle mounting provisions, the widest selection of accessory bases and flanges and the largest selection of stock reducer styles. Contacta a uno de nuestros expertos para discutir como este producto puede beneficiarte.
$6,237.70$3,147.54
-

Regal Rexnord Grove Gear® Serie NH - Reductor de gusano de hierro de reducción simple y carcasa estrecha Ironman® NHF24002580.24
El Grove Gear® Serie NH - Reductor de gusano de hierro de reducción simple y carcasa estrecha Ironman® NHF24002580.24 is a true workhorse that handles harsh environments, shock loading, persistent reversing and continuous duty cycles common in many industrial applications. Engineered to be the premium worm reducer in the industry, IRONMAN® reducers offer top quality features. Standard Features • Rugged cast iron housings, covers, and flanges provide superior strength and rigidity. • Factory-filled with premium Mobil Glygoyle 460 polyalkalene glycol lubricant. • Large oil capacity provides positive splash lubrication and superior cooling capability. • Viton® double lip seals provide extended life through increased resistance to high temperature, abrasion and chemicals. • O-rings on all bearing covers, eliminating gaskets, sealants and leaks. • Oversized high-speed bearings, positively retained for frequent reversing and start/stop cycles. Tapered roller bearings on output shaft for high overhung and thrust load capacities. • The unique quill seal guard protects the input seal from damage during motor installation. • Bronze worm gear chill cast from high quality bronze for maximum strength, lubricity and superior life. • All units are 100% run and leak tested at the factory to insure that you receive the highest quality product. • Ultimate application flexibility with all-angle mounting provisions, the widest selection of accessory bases and flanges and the largest selection of stock reducer styles. Contacta a uno de nuestros expertos para discutir como este producto puede beneficiarte.
$2,277.89$1,149.43
-

Regal Rexnord Grove Gear® Serie NH - Reductor de gusano de hierro de reducción simple y carcasa estrecha Ironman® NHF52001501.39
El Grove Gear® Serie NH - Reductor de gusano de hierro de reducción simple y carcasa estrecha Ironman® NHF52001501.39 is a true workhorse that handles harsh environments, shock loading, persistent reversing and continuous duty cycles common in many industrial applications. Engineered to be the premium worm reducer in the industry, IRONMAN® reducers offer top quality features. Standard Features • Rugged cast iron housings, covers, and flanges provide superior strength and rigidity. • Factory-filled with premium Mobil Glygoyle 460 polyalkalene glycol lubricant. • Large oil capacity provides positive splash lubrication and superior cooling capability. • Viton® double lip seals provide extended life through increased resistance to high temperature, abrasion and chemicals. • O-rings on all bearing covers, eliminating gaskets, sealants and leaks. • Oversized high-speed bearings, positively retained for frequent reversing and start/stop cycles. Tapered roller bearings on output shaft for high overhung and thrust load capacities. • The unique quill seal guard protects the input seal from damage during motor installation. • Bronze worm gear chill cast from high quality bronze for maximum strength, lubricity and superior life. • All units are 100% run and leak tested at the factory to insure that you receive the highest quality product. • Ultimate application flexibility with all-angle mounting provisions, the widest selection of accessory bases and flanges and the largest selection of stock reducer styles. Contacta a uno de nuestros expertos para discutir como este producto puede beneficiarte.
$8,661.28$4,370.49
-

Regal Rexnord Grove Gear® Serie NH - Reductor de gusano de hierro de reducción simple y carcasa estrecha Ironman® NHT21001004.00
El Grove Gear® Serie NH - Reductor de gusano de hierro de reducción simple y carcasa estrecha Ironman® NHT21001004.00 is a true workhorse that handles harsh environments, shock loading, persistent reversing and continuous duty cycles common in many industrial applications. Engineered to be the premium worm reducer in the industry, IRONMAN® reducers offer top quality features. Standard Features • Rugged cast iron housings, covers, and flanges provide superior strength and rigidity. • Factory-filled with premium Mobil Glygoyle 460 polyalkalene glycol lubricant. • Large oil capacity provides positive splash lubrication and superior cooling capability. • Viton® double lip seals provide extended life through increased resistance to high temperature, abrasion and chemicals. • O-rings on all bearing covers, eliminating gaskets, sealants and leaks. • Oversized high-speed bearings, positively retained for frequent reversing and start/stop cycles. Tapered roller bearings on output shaft for high overhung and thrust load capacities. • The unique quill seal guard protects the input seal from damage during motor installation. • Bronze worm gear chill cast from high quality bronze for maximum strength, lubricity and superior life. • All units are 100% run and leak tested at the factory to insure that you receive the highest quality product. • Ultimate application flexibility with all-angle mounting provisions, the widest selection of accessory bases and flanges and the largest selection of stock reducer styles. Contacta a uno de nuestros expertos para discutir como este producto puede beneficiarte.
$1,178.67$656.29
-

Regal Rexnord Grove Gear® Serie NH - Reductor de gusano de hierro de reducción simple y carcasa estrecha Ironman® NHT24002003.00
El Grove Gear® Serie NH - Reductor de gusano de hierro de reducción simple y carcasa estrecha Ironman® NHT24002003.00 is a true workhorse that handles harsh environments, shock loading, persistent reversing and continuous duty cycles common in many industrial applications. Engineered to be the premium worm reducer in the industry, IRONMAN® reducers offer top quality features. Standard Features • Rugged cast iron housings, covers, and flanges provide superior strength and rigidity. • Factory-filled with premium Mobil Glygoyle 460 polyalkalene glycol lubricant. • Large oil capacity provides positive splash lubrication and superior cooling capability. • Viton® double lip seals provide extended life through increased resistance to high temperature, abrasion and chemicals. • O-rings on all bearing covers, eliminating gaskets, sealants and leaks. • Oversized high-speed bearings, positively retained for frequent reversing and start/stop cycles. Tapered roller bearings on output shaft for high overhung and thrust load capacities. • The unique quill seal guard protects the input seal from damage during motor installation. • Bronze worm gear chill cast from high quality bronze for maximum strength, lubricity and superior life. • All units are 100% run and leak tested at the factory to insure that you receive the highest quality product. • Ultimate application flexibility with all-angle mounting provisions, the widest selection of accessory bases and flanges and the largest selection of stock reducer styles. Contacta a uno de nuestros expertos para discutir como este producto puede beneficiarte.
$1,443.53$803.76
-

Regal Rexnord Grove Gear® Serie NH - Reductor de gusano de hierro de reducción simple y carcasa estrecha Ironman® NHT26001010.00
El Grove Gear® Serie NH - Reductor de gusano de hierro de reducción simple y carcasa estrecha Ironman® NHT26001010.00 is a true workhorse that handles harsh environments, shock loading, persistent reversing and continuous duty cycles common in many industrial applications. Engineered to be the premium worm reducer in the industry, IRONMAN® reducers offer top quality features. Standard Features • Rugged cast iron housings, covers, and flanges provide superior strength and rigidity. • Factory-filled with premium Mobil Glygoyle 460 polyalkalene glycol lubricant. • Large oil capacity provides positive splash lubrication and superior cooling capability. • Viton® double lip seals provide extended life through increased resistance to high temperature, abrasion and chemicals. • O-rings on all bearing covers, eliminating gaskets, sealants and leaks. • Oversized high-speed bearings, positively retained for frequent reversing and start/stop cycles. Tapered roller bearings on output shaft for high overhung and thrust load capacities. • The unique quill seal guard protects the input seal from damage during motor installation. • Bronze worm gear chill cast from high quality bronze for maximum strength, lubricity and superior life. • All units are 100% run and leak tested at the factory to insure that you receive the highest quality product. • Ultimate application flexibility with all-angle mounting provisions, the widest selection of accessory bases and flanges and the largest selection of stock reducer styles. Contacta a uno de nuestros expertos para discutir como este producto puede beneficiarte.
$1,794.50$999.18











