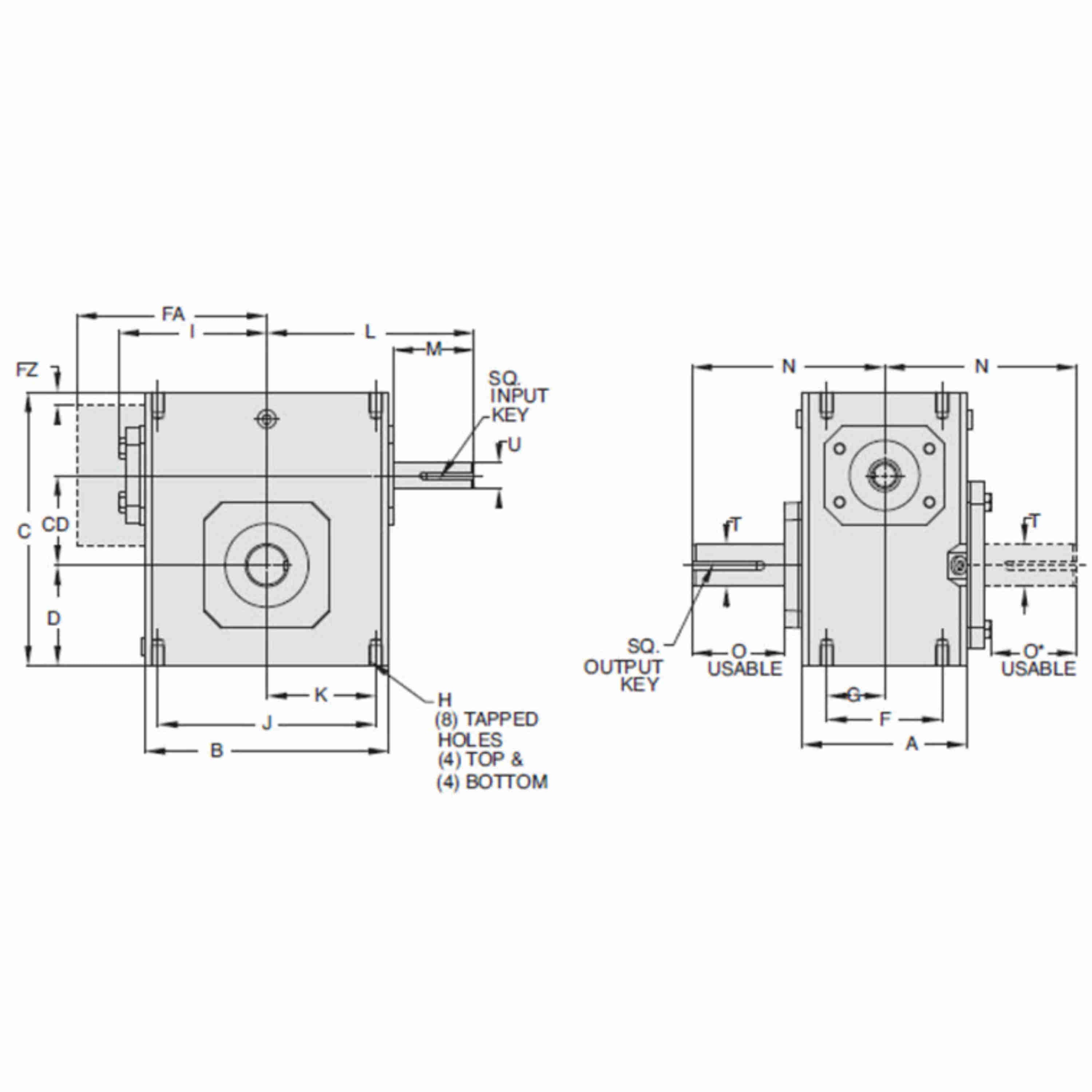
Grove Gear® Serie NH - Reductor de gusano de hierro de reducción simple y carcasa estrecha Ironman® NH8150025.00

Description

El Grove Gear® Serie NH - Reductor de gusano de hierro de reducción simple y carcasa estrecha Ironman® NH8150025.00 is a true workhorse that handles harsh environments, shock loading, persistent reversing and continuous duty cycles common in many industrial applications. Engineered to be the premium worm reducer in the industry, IRONMAN® reducers offer top quality features.

Standard Features
• Rugged cast iron housings, covers, and flanges provide superior strength and rigidity.
• Factory-filled with premium Mobil Glygoyle 460 polyalkalene glycol lubricant.
• Large oil capacity provides positive splash lubrication and superior cooling capability.
• Viton® double lip seals provide extended life through increased resistance to high temperature, abrasion and chemicals.
• O-rings on all bearing covers, eliminating gaskets, sealants and leaks.
• Oversized high-speed bearings, positively retained for frequent reversing and start/stop cycles. Tapered roller bearings on output shaft for high overhung and thrust load capacities.
• The unique quill seal guard protects the input seal from damage during motor installation.
• Bronze worm gear chill cast from high quality bronze for maximum strength, lubricity and superior life.
• All units are 100% run and leak tested at the factory to insure that you receive the highest quality product.
• Ultimate application flexibility with all-angle mounting provisions, the widest selection of accessory bases and flanges and the largest selection of stock reducer styles.

Contacta a uno de nuestros expertos para discutir como este producto puede beneficiarte.

Product form

El Grove Gear® Serie NH - Reductor de gusano de hierro de reducción simple y carcasa estrecha Ironman® NH8150025.00 is... Read more

Description

El Grove Gear® Serie NH - Reductor de gusano de hierro de reducción simple y carcasa estrecha Ironman® NH8150025.00 is a true workhorse that handles harsh environments, shock loading, persistent reversing and continuous duty cycles common in many industrial applications. Engineered to be the premium worm reducer in the industry, IRONMAN® reducers offer top quality features.

Standard Features
• Rugged cast iron housings, covers, and flanges provide superior strength and rigidity.
• Factory-filled with premium Mobil Glygoyle 460 polyalkalene glycol lubricant.
• Large oil capacity provides positive splash lubrication and superior cooling capability.
• Viton® double lip seals provide extended life through increased resistance to high temperature, abrasion and chemicals.
• O-rings on all bearing covers, eliminating gaskets, sealants and leaks.
• Oversized high-speed bearings, positively retained for frequent reversing and start/stop cycles. Tapered roller bearings on output shaft for high overhung and thrust load capacities.
• The unique quill seal guard protects the input seal from damage during motor installation.
• Bronze worm gear chill cast from high quality bronze for maximum strength, lubricity and superior life.
• All units are 100% run and leak tested at the factory to insure that you receive the highest quality product.
• Ultimate application flexibility with all-angle mounting provisions, the widest selection of accessory bases and flanges and the largest selection of stock reducer styles.

Contacta a uno de nuestros expertos para discutir como este producto puede beneficiarte.

Recently viewed products

Login

Forgot your password?

Don't have an account yet?
Create account